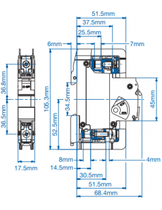
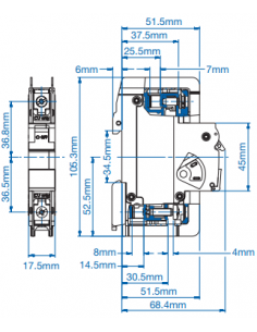
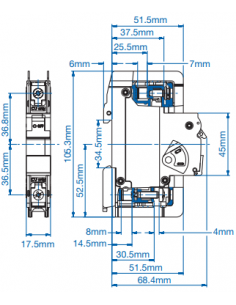
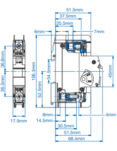
Accessories P35ULT - Power Feed Lug P35ULT Electrical rating: 115A/600V AC/DC Wire Ranges: 14-2 AWG Cu Wire Temperature Rating: 75°C Required Torque: 4Nm (35.4 lb. in.) Material of Lug: Brass Insulation Material: Polyamide For use with: UL489 1, 2, 3 Phase Busbar View
Accessories P50ULB - Modular Direct Power Feed P50ULB Electrical rating: 115A/600V AC/DC Wire Ranges: 14-2 AWG Cu Wire Temperature Rating: 75°CRequired Torque:Cable Side: 4Nm/31 lb. in. (14-6AWG)Cable Side: 4Nm/35.4 lb. in. (4-1AWG)Busbar Side: 2.5Nm/22 lb. in.Material of Lug: Brass Insulation Material: Polyamide For use with: UL489 1, 2, 3 Phase Busbar View
Accessories P35ULCT - Power Feed Lug P35ULCT Electrical rating: 115A/600V AC/DC Wire Ranges: 14-2 AWG Cu Wire Temperature Rating: 75°C Required Torque: 4Nm (35.4 lb. in.) Material of Lug: Brass Insulation Material: PolyamideFor use with: UL489 1, 2, 3 Phase Busbar View
Accessories P50UT-LP - Power Feed Lug P50UT-LP Electrical rating: 115A/1000V AC/DC Wire Ranges: 10-1/0 AWG Cu Wire Temperature Rating: 60°C Required Torque: 5.6Nm (50 lb. in.) Material of Lug: Brass Insulation Material: PolyamideFor use with:UL1077/508 18 and 25sqmm1 phase Busbar View
Accessories P50UT - Power Feed Lug P50UT Electrical rating: 115A/1000V AC/DC Wire Ranges: 10-1/0 AWG Cu Wire Temperature Rating: 60°C Required Torque: 5.6Nm (50 lb. in.) Material of Lug: Brass Insulation Material: PolyamideFor use with:UL1077/508 18 and 25sqmm2, 3 phase Busbar View
Accessories P50UB - Modular Direct Power Feed P50UB Electrical rating: 115A/600V AC/DC Wire Ranges: 14-1 AWG Cu Wire Temperature Rating: 75°CRequired Torque:Cable Side: 3.5Nm/31 lb. in. (14-6AWG)Cable Side: 4Nm/35.4 lb. in. (4-1AWG)Busbar Side: 2.5Nm/22 lb. in.Material of Lug: Brass Insulation Material: PolyamideFor use with: UL1077/508 18 and 25sqmm... View
Accessories P95UB - Power Feed Block P95UB Electrical rating: 200A/ 600V AC/DC Wire Ranges: 1-4/0 AWG Cu Wire Temperature Rating: 75°C Required Torque: 19.5 Nm (175 lb. in.) Material of Lug: Brass Insulation Material: PolyamideFor use with: UL1077/508 18 and 25sqmm 3 phase Busbars (standard spacing only) View
Accessories H10UL - Auxiliary Contact, Alarm Switch H10UL Auxiliary Switch 1 n.o. contact, UL489 DATA SHEET < Product photo imprint will vary depending on part number selection. View
Accessories H11UL - Auxiliary Contact, Alarm Switch H11UL Auxiliary Switch 1 n.o. 1n.c. contacts, UL489 DATA SHEET < Product photo imprint will vary depending on part number selection. View
Accessories H12UL - Auxiliary Contact, Alarm Switch H12UL Auxiliary Switch 1 n.o. 2n.c. contacts, UL489 DATA SHEET < Product photo imprint will vary depending on part number selection. View
Accessories H21UL - Auxiliary Contact, Alarm Switch H21UL Auxiliary Switch 2 n.o. 1 n.c. contacts, UL489 DATA SHEET < Product photo imprint will vary depending on part number selection. View
Accessories HLS11L - Auxiliary Contact, Alarm Switch HLS11L Auxiliary Switch 1 c.o. 1 c.o (signal) contacts, UL489 DATA SHEET < Product photo imprint will vary depending on part number selection. View
Accessories FA12UL - Shunt Trip FA12UL Shunt Trip FA12UL, 1.3A/12V DATA SHEET < Product photo imprint will vary depending on part number selection. View
Accessories FA24UL - Shunt Trip FA24UL Shunt Trip FA24UL, 1.3A/12V DATA SHEET < Product photo imprint will vary depending on part number selection. View
Accessories FA48UL - Shunt Trip FA48UL Shunt Trip FA48UL,0.2A/48V-, 0.2A/72V,UL489 DATA SHEET < Product photo imprint will vary depending on part number selection. View
Accessories FA110UL - Shunt Trip FA110UL Shunt Trip FA110UL,.25A/110V, .5A/240V,.58A/277V,UL489 DATA SHEET < Product photo imprint will vary depending on part number selection. View
Accessories N32UL - Neutral Pole N32UL N32UL, Neutral Pole, UL489, 0.3-32A, 277VAC DATA SHEET < Product photo imprint will vary depending on part number selection. View
Accessories N63UL - Neutral Pole N63UL N63UL, Neutral Pole, UL489, 40 - 63A, 240VAC DATA SHEET < Product photo imprint will vary depending on part number selection. View